UK flag
Hi, we also have an English version of our website!
please visit en.firstlight.nl
Nederlands Deutsch Francais English
0
   Warenkorb

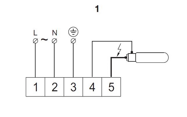
ELT 6216104 VSI 15/23-A2-ARCE-100-DP-P compleet vsa met ontsteker en condensator en ingebouwde thermische beveiliging voor SON 150W of HQI 150W

Artikel-ID:
29101072



Neue Lieferung erwartet am:  
25-04-2026 Nach der Bestellung




Eigenschaften
Artikelnummer des Herstellers 6216104 Teilenummer vom Hersteller.
Anzahl pro Umkarton 1 Die Anzahl der Stücke pro Umkarton. Um ganze Kartons des Produkts zu bestellen, legen Sie es in Vielfachen von dieser Menge in Ihren Warenkorb.
Ausführung Vorschaltgerät Einbau Vorschaltgerät ohne Zugentlaster Uitvoering van het voorschakelapparaat.
Breite 87mm Maximale Breite in Millimetern.
Dimmbar Nein Sommige lampen en voorschakelapparaten zijn dimbaar. Er zijn verschillende soorten dimmers en verschillende manieren om een voorschakelapparaat of transformator te dimmen. Bij onvoldoende kennis, informeer bij onze afdeling verkoop.
Form Quader Die Form des Artikels.
Geeignet für HQI 1x150W U kunt hier alleen lampen toepassen met het opgegeven vermogen en aantal. Andere combinaties werken niet.
Geeignet für SON 1x150W U kunt hier alleen lampen toepassen met het opgegeven vermogen en aantal. Andere combinaties werken niet.       
Höhe 76mm Maximale Höhe in Millimetern.
Lampenstrom 1,8A De stroom door de lamp van een lamp of voorschakelapparaat in A (Ampère ).
Länge 175mm Produktlänge in Millimetern. Bei Leuchtstoffröhren ist sie ohne die Metallstifte am Ende, sofern nicht anders angegeben.
Marke ELT Wenn es sich um ein nicht markengeschütztes Produkt handelt, haben wir keinen festen Lieferanten für dieses Produkt. Die Ausführung des Produkts kann daher variieren.
Spannung 230V Hier kan een vaste spanning staan of twee waarden. U kunt het product dan toepassen binnen deze grenswaarden.
Vorschaltgerät Konventionnel Ein konventionelles Vorschaltgerät hat eine gewickelte Spule. Es ist etwas billiger in der Anschaffung, aber teurer im Betrieb, weil mehr Strom in Wärme umgewandelt wird. Ein elektronisches Vorschaltgerät hat nicht nur einen geringeren Stromverbrauch, sondern auch den Vorteil einer längeren Lebensdauer der Lampe.
ELT 6216104 VSI 15/23-A2-ARCE-100-DP-P compleet vsa met ontsteker en condensator en ingebouwde thermische beveiliging voor SON 150W of HQI 150W
Downloads Ihre Korrekturen
Bemerkungen
Ihre Name
Telefon
E-Mail-Addresse